eMTB / E-cargo

E-Type RF500 Rear Hub Motor

Ang E-Type RF500 Rear Hub Motor ay idinisenyo para sa E-Cargo at E-MTB na mga bisikleta, na tugma sa 36V/48V system. Nag-aalok ito ng na-rate na kapangyarihan na 500-750W at higit sa 75Nm ng torque, paghawak ng mga kumplikadong terrain at mabibigat na karga nang madali. Sinusuportahan ng motor ang 20-28 inch na gulong, tumitimbang lamang ng 4.2kg, at nagtatampok ng 100mm dropout na may 5.4 gear ratio. Ang disenyong ito ay nag-o-optimize ng torque output, na tinitiyak ang maayos na acceleration sa mababang bilis at pinahusay na kahusayan.

Key Parameter
Istraktura ng motor: Na-rate na Boltahe(V): Na-rate na Power(W):
Rear-Drive Hub Motor 36-48 250-500
Peak Torque(N.m.): Timbang(KG): LUMANG (mm):
75 4.2 135
impormasyon ng detalye
  • E-Type RF500 Rear Hub Motor
  • E-Type RF500 Rear Hub Motor
Ningbo Yinzhou HENTACH Electromechanical Co., Ltd. Product Parameters Ningbo Yinzhou HENTACH Electromechanical Co., Ltd. Drawing Ningbo Yinzhou HENTACH Electromechanical Co., Ltd. Contact Us

Pangunahing Data

Na-rate na kapangyarihan 250-500
Na-rate na boltahe 36-48
diameter ng gulong 20-28
Saklaw ng bilis 25-38
Pinakamataas na metalikang kuwintas 75
Gear Ratio 5.4
Timbang (KG) 4.2

Mga Parameter ng Pag-install

Preno Disc brake
Cassette ng torque sensor Hindi
Ruta ng Paglalagay ng kable Axle Central Kanan
Nagsalita butas 2-18-Ф3.2
Hindi tinatagusan ng tubig rating IP54(Hanggang IP65)
Flywheel/Sprocket wheel Rotary Fly 7-speed/Kafei(OLD142)
Mga sertipiko TUV/EN15194/RoHS

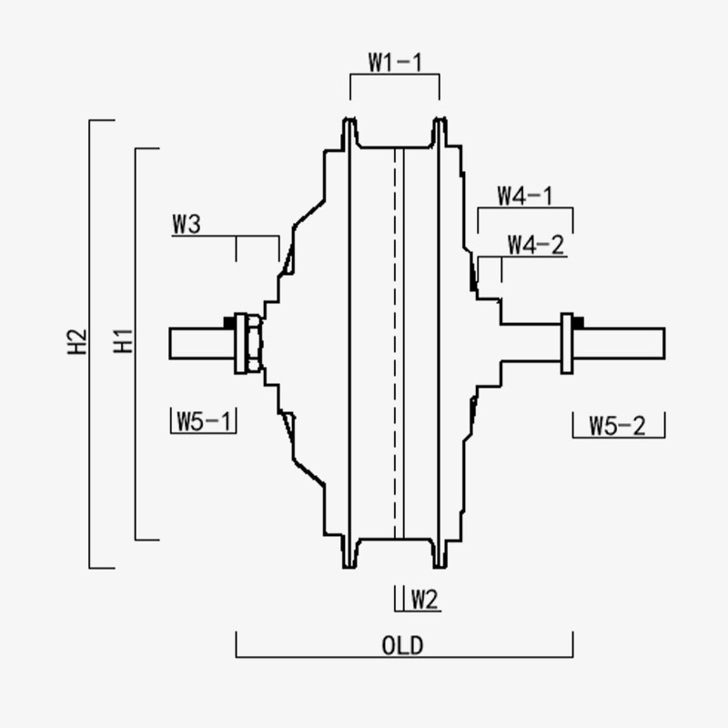
H1/ OD: 157
H2/Motor OD: 180
W1(-1/-2): 36
W2: 3.75
W3: 15.2
W4(-1/-2): 38/9.5
W5(-1/-2): 26/37
LUMANG: 135
Haba ng Axle: 198
Ningbo Yinzhou HENTACH Electromechanical Co., Ltd.
makipag-ugnayan sa amin
  • Isumite at ipadala ang
Ningbo Yinzhou HENTACH Electromechanical Co., Ltd.
ANO ANG NAGHIHIWALAY SA ATIN
  • Napakahusay na rear-drive hub motor, 135mm gear opening, rated power hanggang 500w

  • Patented plastic steel gear: 5 beses ang metalikang kuwintas ng naylon gear; ang haba ng buhay ay higit sa 40,000 km; mas mababang after-sales

  • Stall torque hanggang 75NM, espesyal na idinisenyo para sa eMTB/Cargo.

SINO TAYO Higit sa 20 taon ng karanasan sa produksyon.

Ningbo Yinzhou HENTACH Electromechanical Co., Ltd. (Dating Hengtai Motor) Itinatag noong 1995 at dating kilala bilang "Hengtai Motor" (ang Chinese na pangalan ng aming kumpanya), opisyal naming pinagtibay ang English na pangalan na "HENTACH Motor" noong 2020. Ang parehong mga pangalan ay kumakatawan sa parehong pinagkakatiwalaang manufacturer na nakatuon sa electromechanical innovation sa loob ng mahigit 30 taon. Dalubhasa sa casting at precision processing ng miniature DC motors, electric/motorcycle hub motors, at aluminum-magnesium alloys para sa mga de-kuryenteng sasakyan, pinagsasama namin ang mahigpit na ISO 9001 quality control system, mature management practices, at cutting-edge manufacturing/testing equipment para makapaghatid ng mga maaasahang solusyon.

Taglay ang mga kakayahan mula sa paghahagis ng hilaw na materyales hanggang sa paghahatid ng pangwakas na produkto, nagsisilbi kami sa iba't ibang pamilihan kabilang ang mga e-bikes, mga sasakyang pangkargamento, mga AGV, mga golf car, makinarya sa agrikultura, at e-karting. Ang aming 9,000+㎡ na kampus (5,000㎡ na built area) ay naglalaman ng mahigit 60 yunit ng mga advanced na kagamitan sa produksyon, kabilang ang 500-toneladang die-casting machine, mga precision CNC machine tool, mga laser marking system, mga micro-arc oxidation lines, at dalawang nakalaang electric vehicle motor test bench. Tinitiyak ng imprastrakturang ito ang mahusay na produksyon at mahigpit na pagsunod sa mga internasyonal na pamantayan ng kalidad.

Sa HENTACH (Hengtai), inuuna namin ang mga de-kalidad na materyales at pagmamay-ari na teknolohiya—ang aming patentadong nylon-steel gear ay isang patunay ng aming kahusayan sa engineering. Para mapatunayan ang tibay, minsan kaming naglunsad ng mileage guarantee program para sa mga motor na lampas sa 30,000 milya. Ang resulta? Higit sa 50 motor ay hindi lamang nakamit ang benchmark na ito ngunit nalampasan ito, na ang ilan ay umabot sa isang kahanga-hangang 50,000 milya. Ang pagganap sa totoong mundo na ito ay sumasalamin sa aming hindi natitinag na pagtuon sa pagiging maaasahan at nag-uudyok sa amin na patuloy na mag-innovate para sa mas matalino, mas malakas na mga solusyon sa motor.​
Magtiwala sa tatak na kilala sa buong mundo bilang parehong Hengtai Motor at HENTACH Motor—kung saan natutugunan ng patented steel gear innovation ang napatunayang tibay.

Na-certify ni Mga Sertipikasyon