eMTB / E-cargo

E-Type Pro RF750 Rear Hub Motor

Ang E-Type Pro RF750 Rear Hub Motor ay idinisenyo para sa mga E-Cargo at E-MTB bike, na tugma sa 7-speed thread sa freewheel at isang 135mm OLD. Ang na-rate na kapangyarihan ay 750W na may higit sa 85Nm ng torque, paghawak ng matataas na load at kumplikadong mga terrain nang madali. Nilagyan ng mga patentadong plastic-steel gear, ang motor ay nagbibigay ng 5 beses ang torque capacity ng mga nylon gear, na tumatagal ng higit sa 40,000 km at makabuluhang binabawasan ang mga gastos sa pagpapanatili. Sa matarik man na burol, masungit na daanan, o mabigat na sasakyang kargamento, naghahatid ito ng pambihirang kakayahan sa pag-akyat at agarang acceleration.

Key Parameter
Istraktura ng motor: Na-rate na Boltahe(V): Na-rate na Power(W):
Rear-Drive Hub Motor 36-48 350-750
Peak Torque(N.m.): Timbang(KG): LUMANG (mm):
85 5.5 137
impormasyon ng detalye
  • E-Type Pro RF750 Rear Hub Motor
  • E-Type Pro RF750 Rear Hub Motor
Ningbo Yinzhou HENTACH Electromechanical Co., Ltd. Product Parameters Ningbo Yinzhou HENTACH Electromechanical Co., Ltd. Drawing Ningbo Yinzhou HENTACH Electromechanical Co., Ltd. Contact Us

Pangunahing Data

Na-rate na kapangyarihan 350-750
Na-rate na boltahe 36-48
diameter ng gulong 20-28
Saklaw ng bilis 25-38
Pinakamataas na metalikang kuwintas 85
Gear Ratio 5.27
Timbang (KG) 5.5

Mga Parameter ng Pag-install

Preno Disc brake
Cassette ng torque sensor Hindi
Ruta ng Paglalagay ng kable Axle Gilid sa Kaliwa
Nagsalita butas 2-18-Ф3.2
Hindi tinatagusan ng tubig rating IP54(Hanggang IP65)
Flywheel/Sprocket wheel Rotary 7-bilis
Mga sertipiko TUV/EN15194/RoHS

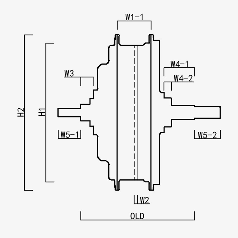
H1/ OD: 167
H2/Motor OD: 187
W1(-1/-2): 40.8
W2: 4.15
W3: 15.2
W4(-1/-2): 37/9
W5(-1/-2): 27/31
LUMANG: 137
Haba ng Axle: 195
Ningbo Yinzhou HENTACH Electromechanical Co., Ltd.
makipag-ugnayan sa amin
  • Isumite at ipadala ang
Ningbo Yinzhou HENTACH Electromechanical Co., Ltd.
ANO ANG NAGHIHIWALAY SA ATIN
  • Napakahusay na rear-drive hub motor, na may 7-speed rotary flywheel, 135mm gear opening, mas mataas na adaptability, at rated power na hanggang 750w.

  • Patented plastic steel gear: 5 beses ang metalikang kuwintas ng naylon gear; ang haba ng buhay ay higit sa 40,000 kilometro; mas mababang after-sales

  • Stall torque hanggang 85NM, espesyal na idinisenyo para sa eMTB/Cargo.

SINO TAYO Higit sa 20 taon ng karanasan sa produksyon.

Ningbo Yinzhou HENTACH Electromechanical Co., Ltd. (Dating Hengtai Motor) Itinatag noong 1995 at dating kilala bilang "Hengtai Motor" (ang Chinese na pangalan ng aming kumpanya), opisyal naming pinagtibay ang English na pangalan na "HENTACH Motor" noong 2020. Ang parehong mga pangalan ay kumakatawan sa parehong pinagkakatiwalaang manufacturer na nakatuon sa electromechanical innovation sa loob ng mahigit 30 taon. Dalubhasa sa casting at precision processing ng miniature DC motors, electric/motorcycle hub motors, at aluminum-magnesium alloys para sa mga de-kuryenteng sasakyan, pinagsasama namin ang mahigpit na ISO 9001 quality control system, mature management practices, at cutting-edge manufacturing/testing equipment para makapaghatid ng mga maaasahang solusyon.

Taglay ang mga kakayahan mula sa paghahagis ng hilaw na materyales hanggang sa paghahatid ng pangwakas na produkto, nagsisilbi kami sa iba't ibang pamilihan kabilang ang mga e-bikes, mga sasakyang pangkargamento, mga AGV, mga golf car, makinarya sa agrikultura, at e-karting. Ang aming 9,000+㎡ na kampus (5,000㎡ na built area) ay naglalaman ng mahigit 60 yunit ng mga advanced na kagamitan sa produksyon, kabilang ang 500-toneladang die-casting machine, mga precision CNC machine tool, mga laser marking system, mga micro-arc oxidation lines, at dalawang nakalaang electric vehicle motor test bench. Tinitiyak ng imprastrakturang ito ang mahusay na produksyon at mahigpit na pagsunod sa mga internasyonal na pamantayan ng kalidad.

Sa HENTACH (Hengtai), inuuna namin ang mga de-kalidad na materyales at pagmamay-ari na teknolohiya—ang aming patentadong nylon-steel gear ay isang patunay ng aming kahusayan sa engineering. Para mapatunayan ang tibay, minsan kaming naglunsad ng mileage guarantee program para sa mga motor na lampas sa 30,000 milya. Ang resulta? Higit sa 50 motor ay hindi lamang nakamit ang benchmark na ito ngunit nalampasan ito, na ang ilan ay umabot sa isang kahanga-hangang 50,000 milya. Ang pagganap sa totoong mundo na ito ay sumasalamin sa aming hindi natitinag na pagtuon sa pagiging maaasahan at nag-uudyok sa amin na patuloy na mag-innovate para sa mas matalino, mas malakas na mga solusyon sa motor.​
Magtiwala sa tatak na kilala sa buong mundo bilang parehong Hengtai Motor at HENTACH Motor—kung saan natutugunan ng patented steel gear innovation ang napatunayang tibay.

Na-certify ni Mga Sertipikasyon