E-cargo

P-Type R500 Rear Hub Motor

Ang P-Type R500 E-Cargo Bike rear hub motor na idinisenyo lalo na para sa Cargo application, ay ipinagmamalaki ang rate na kapangyarihan na 500W, na naghahatid ng malakas at matatag na kapangyarihan para sa heavy-duty loading at long-distance na transportasyon. Tinitiyak nito ang mahusay at matatag na pagganap sa kumplikadong mga kondisyon sa lunsod, sa mga dalisdis, o kapag ganap na na-load, na makabuluhang nagpapataas ng kahusayan sa kargamento. Bukod pa rito, binabawasan nito ang pagkonsumo ng enerhiya sa patag na lupain at sa mas mataas na bilis, na nagpapahusay sa pangkalahatang kahusayan sa pagbibisikleta.

Key Parameter
Istraktura ng motor: Na-rate na Boltahe (V): Na-rate na Power(W):
Rear-Drive Hub Motor 36-48 350-500
Peak Torque(N.m.): Timbang(KG): LUMANG (mm):
50 3.85 160
impormasyon ng detalye
  • P-Type R500 Rear Hub Motor
  • P-Type R500 Rear Hub Motor
Ningbo Yinzhou HENTACH Electromechanical Co., Ltd. Product Parameters Ningbo Yinzhou HENTACH Electromechanical Co., Ltd. Drawing Ningbo Yinzhou HENTACH Electromechanical Co., Ltd. Contact Us

Pangunahing Data

Na-rate na kapangyarihan 350-500
Na-rate na boltahe 36-48
diameter ng gulong 20-26
Saklaw ng bilis 25-35
Pinakamataas na metalikang kuwintas 50
Gear Ratio 5
Timbang (KG) 3.85

Mga Parameter ng Pag-install

Preno Disc brake
Cassette ng torque sensor Hindi
Ruta ng Paglalagay ng kable Axle Central Kaliwa
Nagsalita butas 2-18-Ф3.2
Hindi tinatagusan ng tubig rating IP54(Hanggang IP65)
Flywheel/Sprocket wheel Rotary 7-bilis
Mga sertipiko TUV/EN15194/RoHS

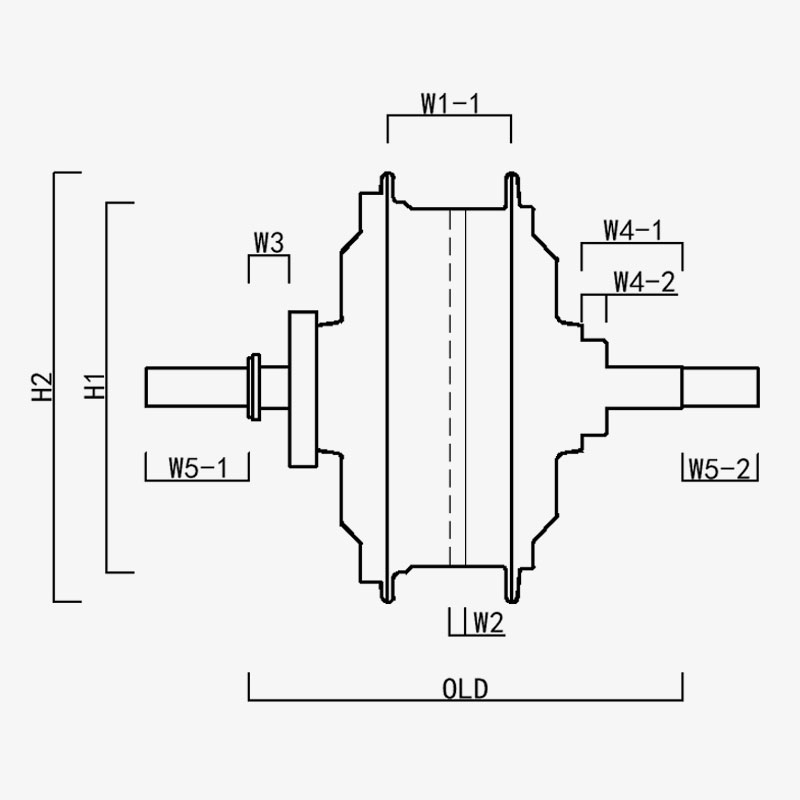
H1/ OD: 136.5
H2/Motor OD: 158.5
W1(-1/-2): 45.5
W2: 6
W3: 15
W4(-1/-2): 37/9
W5(-1/-2): 38/28
LUMANG: 160
Haba ng Axle: 226
Ningbo Yinzhou HENTACH Electromechanical Co., Ltd.
makipag-ugnayan sa amin
  • Isumite at ipadala ang
Ningbo Yinzhou HENTACH Electromechanical Co., Ltd.
ANO ANG NAGHIHIWALAY SA ATIN
  • Isang malakas na rear-drive hub motor na partikular na idinisenyo para sa mga electric assisted fat tire bike, na may 7-speed rotary flywheel, 160mm gear opening, at isang rated power na hanggang 500w.

  • Patented plastic steel gear: 5 beses ang metalikang kuwintas ng naylon gears; ang haba ng buhay ay higit sa 40,000 kilometro; mas mababang after-sales

  • Stall torque na higit sa 50NM, partikular na idinisenyo para sa eCargo.

SINO TAYO Higit sa 20 taon ng karanasan sa produksyon.

Ningbo Yinzhou HENTACH Electromechanical Co., Ltd. (Dating Hengtai Motor) Itinatag noong 1995 at dating kilala bilang "Hengtai Motor" (ang Chinese na pangalan ng aming kumpanya), opisyal naming pinagtibay ang English na pangalan na "HENTACH Motor" noong 2020. Ang parehong mga pangalan ay kumakatawan sa parehong pinagkakatiwalaang manufacturer na nakatuon sa electromechanical innovation sa loob ng mahigit 30 taon. Dalubhasa sa casting at precision processing ng miniature DC motors, electric/motorcycle hub motors, at aluminum-magnesium alloys para sa mga de-kuryenteng sasakyan, pinagsasama namin ang mahigpit na ISO 9001 quality control system, mature management practices, at cutting-edge manufacturing/testing equipment para makapaghatid ng mga maaasahang solusyon.

Taglay ang mga kakayahan mula sa paghahagis ng hilaw na materyales hanggang sa paghahatid ng pangwakas na produkto, nagsisilbi kami sa iba't ibang pamilihan kabilang ang mga e-bikes, mga sasakyang pangkargamento, mga AGV, mga golf car, makinarya sa agrikultura, at e-karting. Ang aming 9,000+㎡ na kampus (5,000㎡ na built area) ay naglalaman ng mahigit 60 yunit ng mga advanced na kagamitan sa produksyon, kabilang ang 500-toneladang die-casting machine, mga precision CNC machine tool, mga laser marking system, mga micro-arc oxidation lines, at dalawang nakalaang electric vehicle motor test bench. Tinitiyak ng imprastrakturang ito ang mahusay na produksyon at mahigpit na pagsunod sa mga internasyonal na pamantayan ng kalidad.

Sa HENTACH (Hengtai), inuuna namin ang mga de-kalidad na materyales at pagmamay-ari na teknolohiya—ang aming patentadong nylon-steel gear ay isang patunay ng aming kahusayan sa engineering. Para mapatunayan ang tibay, minsan kaming naglunsad ng mileage guarantee program para sa mga motor na lampas sa 30,000 milya. Ang resulta? Higit sa 50 motor ay hindi lamang nakamit ang benchmark na ito ngunit nalampasan ito, na ang ilan ay umabot sa isang kahanga-hangang 50,000 milya. Ang pagganap sa totoong mundo na ito ay sumasalamin sa aming hindi natitinag na pagtuon sa pagiging maaasahan at nag-uudyok sa amin na patuloy na mag-innovate para sa mas matalino, mas malakas na mga solusyon sa motor.​
Magtiwala sa tatak na kilala sa buong mundo bilang parehong Hengtai Motor at HENTACH Motor—kung saan natutugunan ng patented steel gear innovation ang napatunayang tibay.

Na-certify ni Mga Sertipikasyon