E-road / E-city

HT MINI Cassette Rear Hub Motor

Ang HT MINI 8-10 speed cassette hub motor ay idinisenyo para sa e-city at road bikes, na ginagawa itong isa sa pinakamaliit na external rotor hub motors sa merkado. Nagtatampok ito ng compact at magaan na disenyo na tumitimbang lamang ng 1.95kg, na may rated power na 220W at higit sa 30Nm ng torque, ang torque sensor cassette ay magagamit. Ang motor ay maaaring umabot ng hanggang 250W na may stall torque na 40Nm. Binabawasan ng panlabas na disenyo ng rotor nito ang mga pinagsama-samang error, na nagpapahusay sa tibay at katatagan.

Key Parameter
Istraktura ng motor: Na-rate na Boltahe(V): Na-rate na Power(W):
Outrunner Hub Motor 36-48 180-250
Peak Torque(N.m.): Timbang(KG): LUMANG (mm):
40 2.18(220w) 142
impormasyon ng detalye
  • HT MINI Cassette Rear Hub Motor
  • HT MINI Cassette Rear Hub Motor
Ningbo Yinzhou HENTACH Electromechanical Co., Ltd. Product Parameters Ningbo Yinzhou HENTACH Electromechanical Co., Ltd. Drawing Ningbo Yinzhou HENTACH Electromechanical Co., Ltd. Contact Us

Pangunahing Data

Na-rate na kapangyarihan 180-250
Na-rate na boltahe 36-48
diameter ng gulong 20-28
Saklaw ng bilis 25-38
Pinakamataas na metalikang kuwintas 40
Gear Ratio 5
Timbang (KG) 2.18(220w)

Mga Parameter ng Pag-install

Preno Disc brake
Cassette ng torque sensor Oo
Ruta ng Paglalagay ng kable Axle Central Kanan
Nagsalita butas 2-18-Ф3.2
Hindi tinatagusan ng tubig rating IP54(Hanggang IP65)
Flywheel/Sprocket wheel KAFI 7-10 bilis
Mga sertipiko TUV/EN15194/RoHS

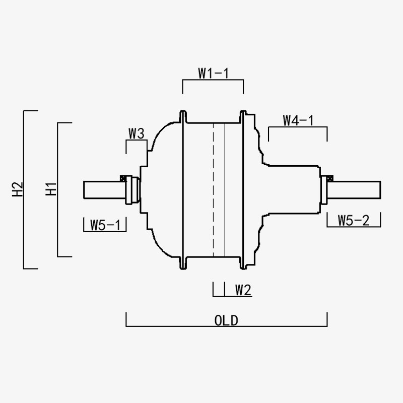
H1/ OD: 95.5
H2/Motor OD: 112.5
W1(-1/-2): 43
W2: 8
W3: 15
W4(-1/-2): 42.5
W5(-1/-2): 30/39
LUMANG: 142
Haba ng Axle: 211
Ningbo Yinzhou HENTACH Electromechanical Co., Ltd.
makipag-ugnayan sa amin
  • Isumite at ipadala ang
Ningbo Yinzhou HENTACH Electromechanical Co., Ltd.
ANO ANG NAGHIHIWALAY SA ATIN
  • Ang motor ay may panlabas na diameter na 95mm, na may 10-speed cassette flywheel, tumitimbang lamang ng 2.15kg, isang ultra-light outer rotor motor, at isang stall torque na hanggang 40 NM. Isang e-bike partner.

  • Patented plastic steel gear: 5 beses ang metalikang kuwintas ng naylon gears; ang haba ng buhay ay higit sa 40,000 kilometro; mas mababang after-sales

  • Panlabas na rotor motor: mas matatag na istraktura kaysa sa panloob na rotor, mas mababang rate ng pagkabigo

SINO TAYO Higit sa 20 taon ng karanasan sa produksyon.

Ningbo Yinzhou HENTACH Electromechanical Co., Ltd. (Dating Hengtai Motor) Itinatag noong 1995 at dating kilala bilang "Hengtai Motor" (ang Chinese na pangalan ng aming kumpanya), opisyal naming pinagtibay ang English na pangalan na "HENTACH Motor" noong 2020. Ang parehong mga pangalan ay kumakatawan sa parehong pinagkakatiwalaang manufacturer na nakatuon sa electromechanical innovation sa loob ng mahigit 30 taon. Dalubhasa sa casting at precision processing ng miniature DC motors, electric/motorcycle hub motors, at aluminum-magnesium alloys para sa mga de-kuryenteng sasakyan, pinagsasama namin ang mahigpit na ISO 9001 quality control system, mature management practices, at cutting-edge manufacturing/testing equipment para makapaghatid ng mga maaasahang solusyon.

Taglay ang mga kakayahan mula sa paghahagis ng hilaw na materyales hanggang sa paghahatid ng pangwakas na produkto, nagsisilbi kami sa iba't ibang pamilihan kabilang ang mga e-bikes, mga sasakyang pangkargamento, mga AGV, mga golf car, makinarya sa agrikultura, at e-karting. Ang aming 9,000+㎡ na kampus (5,000㎡ na built area) ay naglalaman ng mahigit 60 yunit ng mga advanced na kagamitan sa produksyon, kabilang ang 500-toneladang die-casting machine, mga precision CNC machine tool, mga laser marking system, mga micro-arc oxidation lines, at dalawang nakalaang electric vehicle motor test bench. Tinitiyak ng imprastrakturang ito ang mahusay na produksyon at mahigpit na pagsunod sa mga internasyonal na pamantayan ng kalidad.

Sa HENTACH (Hengtai), inuuna namin ang mga de-kalidad na materyales at pagmamay-ari na teknolohiya—ang aming patentadong nylon-steel gear ay isang patunay ng aming kahusayan sa engineering. Para mapatunayan ang tibay, minsan kaming naglunsad ng mileage guarantee program para sa mga motor na lampas sa 30,000 milya. Ang resulta? Higit sa 50 motor ay hindi lamang nakamit ang benchmark na ito ngunit nalampasan ito, na ang ilan ay umabot sa isang kahanga-hangang 50,000 milya. Ang pagganap sa totoong mundo na ito ay sumasalamin sa aming hindi natitinag na pagtuon sa pagiging maaasahan at nag-uudyok sa amin na patuloy na mag-innovate para sa mas matalino, mas malakas na mga solusyon sa motor.​
Magtiwala sa tatak na kilala sa buong mundo bilang parehong Hengtai Motor at HENTACH Motor—kung saan natutugunan ng patented steel gear innovation ang napatunayang tibay.

Na-certify ni Mga Sertipikasyon